- 產品名稱:同步指示器
- 產品型號:Q72-ZS/G
- 產品銘牌:SAIC
- 生產廠商:上海自一船用儀表廠
- 銷售單位:上海自動化儀表銷售中心
- 所屬類別:生產廠家 > 上海自一船用儀表廠 > 產品目錄 > 產品展示 > 測量非電量 >
-
單、三相機組同步指示用
特性:
| 精度:1.5級 | ![]() |
| 環境溫度范圍:-25℃- +55℃ | |
| 外殼防護:按IP42/52 | |
| 耐振動:0.7g | |
| 儀表偏轉角:360° | |
| 功耗:≤1.5VA | |
| 儀表安裝:用四個對角支架固定 | |
| 重量:0.68kg | |
| 開孔尺寸:92+0.5 X 92+0.5(mm) | |
產品分類:
| 產品型號 | 展開角 | 外型尺寸(A×B×C) | 開孔尺寸(mm) | 重量(kg) |
| Q144-ZS/G | 360。 | 144×144×71 | 138+0.5×138+0.5 | 0.65 |
| Q96-ZS/G | 96×96×140 | 92+0.5×92+0.5 | 0.6 | |
| Q72-ZS/G | 72×72×71 | 68+0.5×68+0.5 | 0.55 |
測量電壓規格見下表
| 電壓規格 | 接入方式 |
| 100V±10% | 直接接入或經U/100VPT接入 |
| 220V±10% | 直接接入 |
| 380V±10% | |
| 400V±10% |
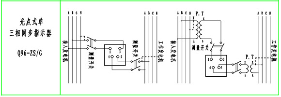
接線圖:

上一篇:Q144-ZS/G同步指示器
下一篇:Q144-ZSB同步指示器
相關產品:









