- 產品名稱:同步指示器
- 產品型號:Q96-ZS
- 產品銘牌:SAIC
- 生產廠商:上海自一船用儀表廠
- 銷售單位:上海自動化儀表銷售中心
- 所屬類別:生產廠家 > 上海自一船用儀表廠 > 產品目錄 > 產品展示 > 測量非電量 >
-
三相交流電機同步指示用
特性:
| 精度:1.5級 | ![]() |
| 環境溫度范圍:-25℃- +55℃ | |
| 外殼防護:按IP42/52 | |
| 耐振動:0.7g | |
| 儀表偏轉角:360° | |
| 額定功率:50Hz;60Hz;427Hz | |
| 儀表安裝:用四個對角支架固定 | |
| 重量:2kg | |
產品分類:
產品型號 | 展開角 | 外形尺寸(AXBXC) | 開孔尺寸(mm) | 重量(kg) |
Q96-ZS | 360° | 96x96x140 | 92+0.5 x 92+0.5 | 2 |
| 同步指示器 | |
| 測量范圍 | 接入方法 |
| 100﹑127V﹑220V | 直接接入 |
| 經380/100V或380/127V PT 接入 | |
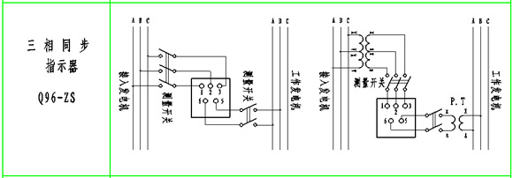
產品接線圖:

上一篇:Q96-FETC功率因數表
下一篇:Q96-ZS/G同步指示器
相關產品:









